設計模塊的高有效接口電路
同樣的對于高有效電路,我們也會遇到這樣的情況:
1.一個開關有幾個模塊去檢測(高有效)
2.一個模塊對應幾個開關(高有效)
3.模塊之間輸出信號(高有效)
4.存在串聯開關的情況(高有效)
同低有效電路一樣以下也需要注意的
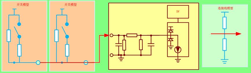
1.開關模型
開關斷開電阻
?? 開關斷開的時候的等效電阻。
開關閉合電阻
?? 開關閉合時候的等效電阻,隨時間增加可能變大。
開關濕電流
?? 開關保持正常工作的時候最小的電流,防止氧化和被污染。
2.線纜模型
對電源絕緣電阻
? 導線對電源的泄漏電阻。
對地絕緣電阻
? 導線對地的泄漏電阻。
對于我們來說,需要計算的是以下的結果:
我們可以選擇的是
上拉電阻 Rpull
限流電阻 Rvd1
分壓電阻 Rvd2
因此我們設計以上不同的設計的時候,就可以調整上拉電阻,限流電阻,分壓電阻來實現。
對于以上四種不同的應用,每組上拉電阻,限流電阻,分壓電阻的參數可能不盡相同,而且跟隨單片機的不同,選擇也不同。
低有效電路和高有效電路的不同:
高有效電流比低有效電路更怕短路,因為開關短路造成開關燒毀往往是一些非常重要的信號,比如IGN(KL15A),ACC(KL15B)。
?
